Mike McBike @ Home / Arcade Reps Teil 5 / Roc'n Rope


{Roc'n Rope} Aus einem tollen Deal - Original Roc'n Rope - wie alles andere: völlig kaputt. Toll. Beim ersten Einschalten: kein Bild. Das änderte sich erst, als ich die schwarz korrodierten Customs mit dem Glasfaserstift durch hatte. Dann statischer Müll auf dem Bildschirm... Mal die EPROMs ansehen:

Roc'n Rope

Upps...

Roc'n Rope

Nach ausgiebigem Putzen kommt der typische Initialisierungsschirm:

Roc'n Rope

Alles gut...

Roc'n Rope

Leider geht's nicht weiter und fängt immer wieder von vorne an. Wartet das Teil vielleicht auf die Sound-Sektion?

Roc'n Rope

Der eine 2114 hat einen guten Datenbus:

Roc'n Rope

Der andere hat irgendwie die Bodenhaftung verloren...

Roc'n Rope

2114 in der Soundecke getauscht, Datenbus wieder fein, der Z80 läuft. Leider ändert sich am Spiel nichts.

Roc'n Rope

EPROMs alle neu gebrannt, Work-RAMs getauscht - der Konami-CPU-Datenbus ist jetzt super rechteckig, alles geht. Leider ändert sich am Spiel nichts.

Roc'n Rope

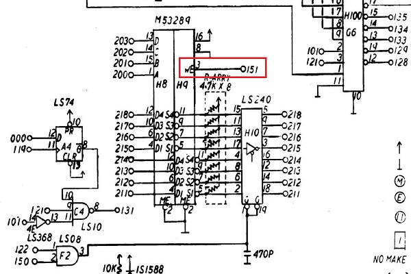
Ich bin so verzweifelt, dass ich sogar ins Manual sehe (total unmännlich!) - da steht was von M53289 INT-RAM... ey, das sind ja keine TTLs... das sind Interrupt-Vector-RAMs...

Roc'n Rope

Hoffentlich sind die nicht hin, sowas hab ich nicht da... Aber nein, kein WE#-Signal...

Roc'n Rope

Das kommt aus einer ganz anderen Ecke von einem 74LS138... rostig - tot...

Roc'n Rope

Tschacka!

Roc'n Rope

Jetzt noch Grafik-Glitches und dann geht sicher noch irgenwas anderes nicht... Die Grafik-Glitches lagen an ein paar weiteren angerosteten EPROM-Beinchen... putzen - fertig.

Roc'n Rope

Roc'n Rope

Und hey, keine weiteren Fehler - perfektes Bild, perfekter Sound - und der ist wirklich gut!

Roc'n Rope

Hat sich doch ein wenig gelohnt, der Kauf...


© 2013 - 2023 · W. Robel e-Mail senden