Mike McBike @ Home / Arcade Reps Teil 5 / Boogie Wings


{Boogie Wings} ein grafisch ziemlich schräges und witziges Game - leider völlig aphon.

Boogie Wings

{Diagnose} Der erste Verdacht - AMP defekt - hat sich leider nicht bestätigt. Es kommt leider nur reine Stille an den OP-AMPs an. Die Konstruktion der Soundabteilung bei Boogie Wings ist grandios. Es wurden keine Kosten und Mühen gescheut:

Boogie Wings

FM-Generator, gleich zwei Sound-Sample-Generatoren... und als Krönung ein Hudson 6502 Clone und ein Sack voll Customs und SMD auf der ganzen PCB... Die Hudson 6502 läuft. Keiner der Soundchips bekommt irgendein Chip Select. Nächster Schritt: Sound ROM auslesen. ROM ist O.K. - also mal Sound-Programm-RAM tauschen...

Boogie Wings

Hat leider auch nichts verändert. Jetzt wird's knifflig - Die kleinen SMDs lassen sich schlecht messen und noch schlechter manipulieren...
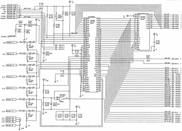
Dafür hier erst mal den C6280 in einer Schaltung (natürlich nicht Boogey Wings, dafür gibt es keinen Schaltplan...):

Boogie Wings

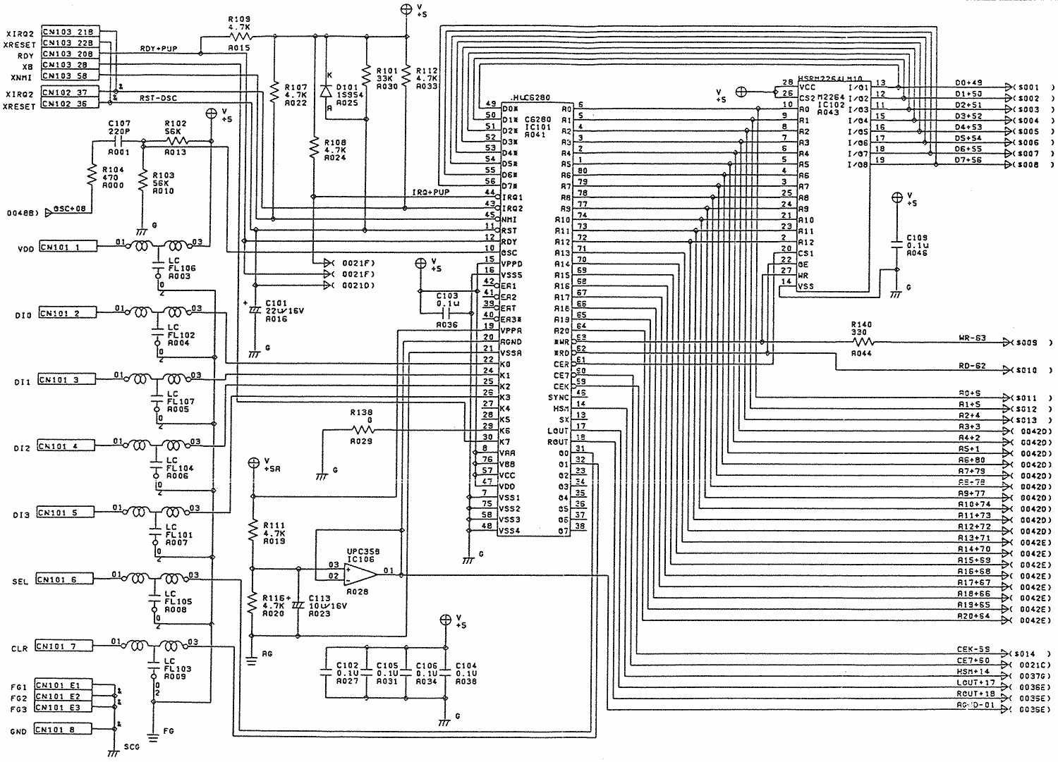
Und als Pinout:

Boogie Wings

Also entweder läuft das Sound-Programm trotz allem falsch ab oder die externe Triggerung der Soundroutinen findet nicht statt. Da wird es aber sehr Custom-Lastig... Es sieht nicht gut aus.


{Reparatur} Irgendwie ist es klar - der fehlende Sound muss was mit der Hudson CPU zu tun haben. Auf der Interrupt-Leitung tut sich nichts, sie ist komischer Weise immer low.

Boogie Wings

Um die Leitung zu verfolgen, löte ich sogar ein SMD-TTL aus... des Signal verschwindet in einem Custom... Mist.

Boogie Wings

Trotzdem messe ich noch mal den seltsamen Daten- und Adressbus nach - plötzlich merke ich, dass das Verhalten der CPU berührungsempfindlich ist. Holla, die Waldfee! Der Adressbus ist nicht stabil, das Programm spinnt tatsächlich, aber wegen einer kalten Lötstelle! Nach sauberem Nachlöten ist der Sound einwandfrei!

Boogie Wings

© 2013 - 2023 · W. Robel e-Mail senden