Mike McBike @ Home / Arcade Reps Teil 4 / Q-Bert


{Q-Bert Reparatur} Kundenruf "Mein Q-Bert spricht nicht mehr!"... Hat er das jemals bei diesem Bootleg?

Q-Bert

{Analyse} Eine interessante Frage! Offensichtlich fehlen bei diesem Bootleg wichtige Komponenten für die Sprachausgabe!

Q-Bert

Q-Bert

Ein vergleichbares Bootleg mit Vollbestückung ist im Internet als Bild zu finden:

Q-Bert

Hier ist der Votrax SC-01 Speech Synthesizer mit bestückt, inclusive der dazu gehörigen Peripherie. Dafür hat diese Version nur ein EPROM für den Sound-6502, die mir Vorliegende dafür zwei EPROMs! Ich bin gespannt. Der Schaltplan des Original Q-Bert passt übrigens im Soundbereich auch für das Bootleg, mal Abgesehen von einem moderneren Amp, der die +/-12V und 30V Versorgung obsolet macht - Gottseidank! Hier habe ich mal die Minderbestückung des Bootlegs markiert:

Q-Bert


{Fehlersuche} Sync ist mies, weil positiv... aber der 1084er schafft das halbwegs, wenn man an der Horizontallage rumspielt. Irgendwann fängt sich das Bild halbwegs stabil und man kann sogar etwas spielen und vor Allem den Testmodus betätigen!

Q-Bert

Q-Bert

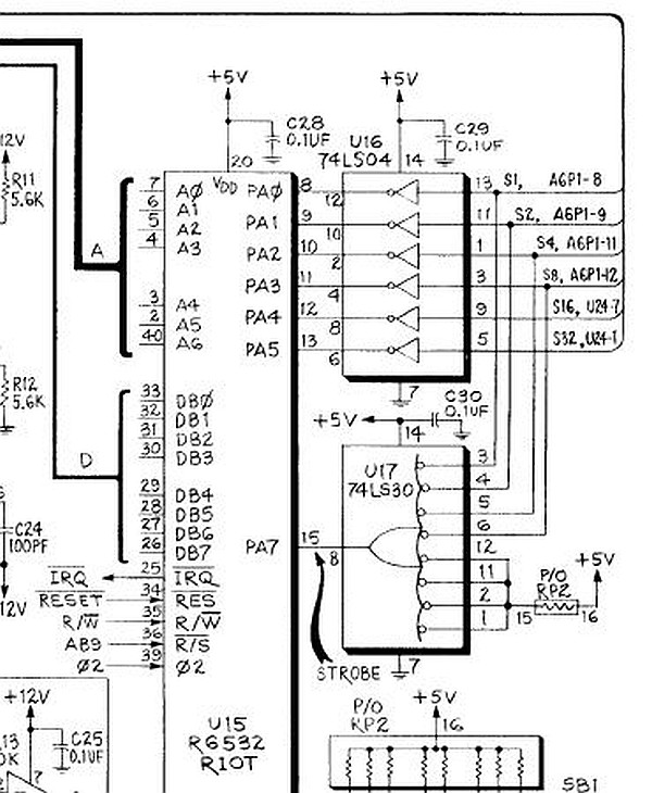
Der Soundtest ist Klasse, der dudelt einfach alle Sounds durch - in einer Endlosschleife. Da kann man dann in aller Gemütsruhe die Platine ausmessen. Ich dachte mir - wenn einzelne Sounds fehlen, dann kann das doch nur an der Anforderung der Sounds durch die 8088 CPU an die 6502 Sound-CPU liegen, da es ja hier nur einen einzigen Audio-Pfad gibt. Also habe ich die Signale S1, S2, S4, S8, S16 und S32 man durchgemessen, die über einen 74LS04 an den RIOT-Baustein 6532 (RAM, IO, Timer) geliefert werden: Ein Datenbit vor dem Inverter sieht nicht gut aus:

Q-Bert

Die anderen hingegen schon:

Q-Bert

Hier der Schaltplanteil:

Q-Bert

Wo kommen die Signale her? Die Bezeichnung auf dem Soundboard findet sich auf dem CPU Board nicht wieder! Aber der Verkabelungsplan lüftet das Geheimnis:

Q-Bert

Daraus kann man die Steckerbelegung erkennen, die man dann im CPU-Plan wieder suchen muss:

Q-Bert

Vieleicht sind die Latches (74LS377) defekt... Mal vorsichtshalber durchklingeln, wo der Baustein auf dem Bootleg sitzt. S1 gut, S2 findet sich nicht, S4 gut, S8 gut... Mal die PCB näher ansehen, hier geht's los:

Q-Bert

Sieht korrodiert aus...

Q-Bert

{Reparatur} Und das war's dann auch: eine der Leiterbahnen ist durch. Sieht man nicht, ist aber so. Dann spielt natürlich nur noch die Hälfte der Sounds, die übrigens ohne Sprachsynthese auskommen müssen. Fädeldraht hilft:

Q-Bert


© 2013 - 2024 · W. Robel e-Mail senden