Mike McBike @ Home / Arcade Reps Teil 4 / Dragon Spirit


{Dragon Spirit Conversion Video} Ist schon ein Jahr her, aber ich hatte ganz vergessen, die Details zu veröffentlichen. Dragon Spirit Conversion mit defekter Video-Ausgangsstufe. Symptome:

Dragon Spirit

Dragon Spirit

So sieht die PCB aus:

Dragon Spirit

Dragon Spirit

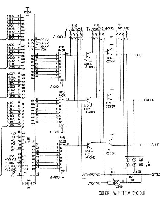
Und den Videotreiberschaltplan entnimmt man am Besten PacMania:

Dragon Spirit

Das Oszi sagt mir, dass vor der Endstufe alle Videosignale gut anliegen, also müssen die Ausgangstransistoren defekt sein. Das passiert hier gerne, wenn man versehentlich Spannung auf RGB gibt...

Dragon Spirit

Doch - welche Transistoren nehmen, 2SC23220 und 2SA1015 sind im Europäischen Raum nicht gerade häufig. Glücklicher Weise sind in dieser Anwendung die popeligsten Universaltransistoren gerade gut genug, auch wenn sie eine etwas andere Binchenbelegung haben:

Dragon Spirit

Erst mal mit einem probieren:

Dragon Spirit

Es tut sich was!

Dragon Spirit

Dragon Spirit

Alle drei getauscht:

Dragon Spirit

Das Bild ist seltsam:

Dragon Spirit

Erst nach Tausch der anderen drei Transistoren und des einen Widerstandsnetzwerkes (auch durchgebrannt...)...

Dragon Spirit

...ist das Bild wieder richtig gut:

Dragon Spirit

Dragon Spirit

Dragon Spirit

Geiles Spiel übrigens!


© 2013 - 2024 · W. Robel e-Mail senden