Mike McBike @ Home / FPGAs / Projekt Pong / Score


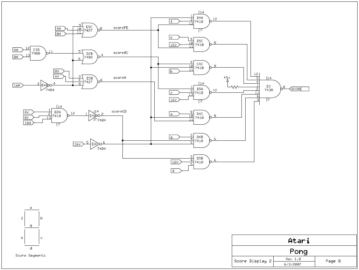
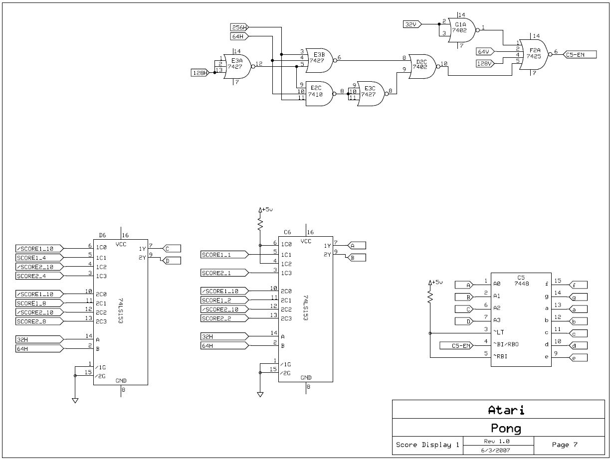
{Pong Punkteanzeige} Die Punkteanzeige bei Pong ist eine geniale Kostruktion: hier wird ein 7-Segment-Decoder, der eigentlich für den Betrieb von 7-Segment-LED-Anzeigen gedacht war, mit in die Videogenerierung eingebunden:

PONG!

PONG!

Trickreich mit H- und V-Signalen und den Punktezählern verbunden, erscheinen dann die 7-Segment-Balken auf dem Bildschirm. Hier der VHDL-Code von 7448 und vom Behavioural der Score-Anzeige. Ähnlichkeiten mit den Obigen Schaltplänen sind nicht zufällig, sondern gewollt!

PONG!

PONG!

Und dann wird wieder compiliert und gespannt auf den Bildschirm gestarrt:

PONG!

Ups, da war wohl noch ein kleiner Fehler drin (fehlende Invertierung in der Signalerzeugung...)

PONG!


© 2013 - 2016 · W. Robel e-Mail senden