Mike McBike @ Home / Elektronik / Netzteil MES 250 #2


{Noch ein Netzteil MES 250 #2} Heute mal so richtig brachial defekt, aber ein Schritt nach dem anderen... Ein weiteres dieser Camping-Netzteile erschien bei mir zur Obduktion - äh... Operation... Der Besitzer wies vorsichtshalber schon mal auf vorhergegangene Reparaturen und Überspannungsschaden hin. Ich war gespannt und meine Sensationslust wurde nicht enttäuscht:

MES 250

Die Platine ist schnell ausgebaut:

MES 250

Widerstand ist zwecklos! Diese Minimelf sind unendlich hochohmig. Der Metallfilm ist noch da, aber jetzt eben auf der Platinenoberfläche... Drei Stück 0,22 Ohm. Die superschnelle Diode STTA806D geht noch, ebenso der IRF840...

MES 250

Ebenso die 1206 Widerstände beim zweiten Transistor (STP6NK60Z - 600V 6A MOSFET). Das waren mal 4 Stück 1,0 Ohm... Und der (vermutlich 10k) Gate-Widerstand ist auch verdampft...

MES 250

Sauber machen ist kein Problem, die Leiterbahnen sind noch alle da.

MES 250

Vorsichtshalber habe ich mal den isolierten Widerstand geprüft, der ist noch gut!

MES 250

Widerstände und Transistoren sind schnell bestellt und ersetzt...

MES 250

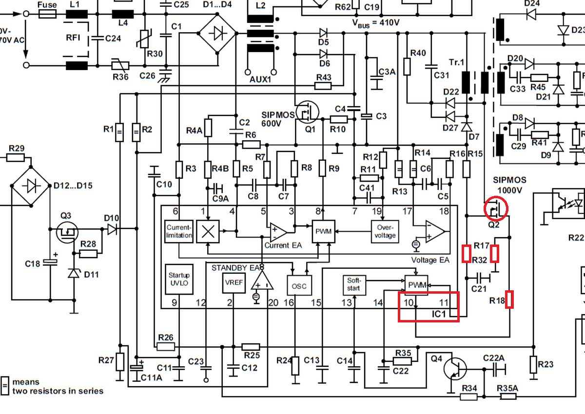
...da werfe ich doch mal einen Blick auf den kombinierten PWM / PFC - Controller TDA16888.

MES 250

Was meine Hoffnung auf eine schnelle Reparatur nicht gerade erhöht.

MES 250

Klar, der durchlegierte FET hat den Controller gleich effizient mitgenommen. Leider so, dass man die Werte der Bauteile nicht mehr erkennen kann. Die Applikationsschaltung zum Controller entspricht leider nur teilweise dem MES 250. Und man sieht: die ganze Baugruppe ist schon mal mehr oder weniger sorgfältig ersetzt worden.

MES 250

Jetzt warte ich mal auf ein drittes Exemplar, bei dem man hoffentlich die Werte der gestorbenen Widerstände entziffern kann...


© 2013 - 2024 · W. Robel e-Mail senden