Mike McBike @ Home / Vectrex / Vectrex - die Achte


{Vectrex die Achte - eine Reparatur mit Überraschungen} Bei der 8. Vectrex Reparatur ist man schon froh, wenn das Objekt einen mit lustigen außergewöhnlichen Details erfrischt - es soll ja schließlich nicht langweilig werden... Dieses Detail hat mich schon ganz kurz nach dem Auspacken stutzig gemacht - das Helligkeitspoti ist nicht richtig eingefädelt - die Kiste war schon mal offen...

Vectrex 8

Na ja, egal... erst mal öffnen...

Vectrex 8

Nichts für Stauballergiker: (Hab ich natürlich mal geputzt...)

Vectrex 8

WTF! Fachkräftemangel in seiner Reinform...

Vectrex 8

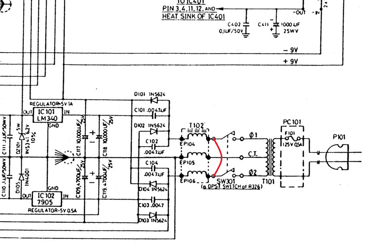
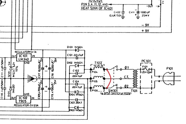
Diese Brücke hat ein echter Spezialist (soll ich sagen "Experte"?) gesetzt. Wenn der Schalter einphasig nicht mehr schließt, dann kann man natürlich die gesamte Vectrex mit der anderen Phase versorgen - das überlastet nur den Trafo ein wenig... Das Problem dabei: nach längerer oder auch kurzer Zeit schließt die zweite Phase des Schalters und dann...

Vectrex 8

...fatzt die Sicherung:

Vectrex 8

Nach Tausch der Sicherung, Kappen der Brücke und 5 Minuten Wartezeit (verharzte Schalter schalten sehr laaaaaaangsaaaaam):

Vectrex 8

Also jetzt eine fachmännische Reparatur... Da kommt schon die nächste Überraschung: der bodenseitige CPU-Board-Einschub ist - wie der Name schon sagt - normalerweise nur eingeschoben und kann völlig einfach herausgeschoben werden, wenn man nur den Potiknopf und die richtigen Schrauben vorher löst... Hier ist das Teil fett festgeklebt. Aus welchen Gründen auch immer...

Vectrex 8

Mit dem geregelten Heißluftfön bekommt man die Lasche vorsichtig ab.

Vectrex 8

Die ist natürlich dann recht verformt. Aber das bekommt man ebenfalls mit Heißluftfön und Flachzange wieder hin, Hauptsache, es reißt nichts ab!

Vectrex 8

Dann das Übliche: Schalter abzwicken, auslöten, reparieren,

Vectrex 8

wieder einlöten:

Vectrex 8

Kabel dran... Hatten wir schon viele Male...

Vectrex 8

Und mit viel gezielter warmer Luft (200°C) bekommt man besagte Lasche auch wieder maßhaltig.

Vectrex 8

War mal "was Anderes"... ;-)

© 2013 - 2024 · W. Robel e-Mail senden