Mike McBike @ Home / Museum / Hazeltine 1500 Monitor


{Hazeltine 1500 Monitor} Hier nun die Fortsetzung von Hazeltine 1500 Terminal - Die Reparatur wird so umfangreich, da habe ich beschlossen, diesen Artikel mal auszulagern. Der Monitor ist in sehr schlechtem Zustand... Die Platine ist nicht umfangreich, dafür korrodiert und mit vielen defekten Bauteilen bestückt...

Hazeltine Monitor

Ober- und Unterseite sind als hoch auflösende Fotos hinterlegt!

Hazeltine Monitor

O.K., der erste Transistor fällt mir schon mal entgegen...

Hazeltine Monitor

...da hat schon wer versucht, mit Feile und Lötzinn zu "reparieren" - leider ein Transistortyp, der schon lange nicht mehr zu bekommen ist. Da werde ich wohl Ersatz finden müssen.

Hazeltine Monitor

R15 brannte beim Einschalten effektvoll ab... Das fängt ja gut an.

Hazeltine Monitor

R79 ist auch nicht mehr so ganz frisch...

Hazeltine Monitor

Der Elko hat nicht nur eine Beule, der hat sogar schon die Hosen runtergelassen, weil's so heiß war... Die Elkos müssen alle raus und neu gemacht werden.

Hazeltine Monitor

Eigentlich geht an dem Monitor nichts mehr so richtig...

Hazeltine Monitor

Die erste Handvoll Leichen - hoffentlich passen die bestellten Transistor-Ersatztypen...

Hazeltine Monitor

Kommen wir zum zweiten Teil des Chassis' - der Zeilentrafo ist nicht mehr befestigt, völlig klebrig und verdreckt...

Hazeltine Monitor

Die Befestigungsspange ist gerissen - das wirkt sich nicht gut auf den Betrieb aus, da wird der Luftspalt zu groß!

Hazeltine Monitor

Igitt... die Hochspannungsdiode ist demontierbar, es scheint sich ein Isolieröl verteilt zu haben, einfach nur eklig.

Hazeltine Monitor

Gut, dass ich das noch gesehen habe: die kleinen gefalteten Plastikplättchen sorgen für einen definierten Luftspalt zwischen den beiden Kernhälften!

Hazeltine Monitor

Das hält nicht mehr...

Hazeltine Monitor

Gut, dass ich auch Silberhartlot im Hause habe!

Hazeltine Monitor

Das sieht doch gleich viel wertiger aus und hält!

Hazeltine Monitor

Das Thema Zeilentrafo ist hoffentlich erfolgreich erledigt - jetzt geht es an die Prüfung der Leistungstransistoren.

Hazeltine Monitor

Hier die beiden Transistoren für Horizontal- und Vertikalablenkung...

Hazeltine Monitor

Der einzelne Transistor ist der Linearregler für das 70V-Netzteil.

Hazeltine Monitor

Der hat nicht nur den falschen Typen, er ist sogar komplett durchlegiert und liefert 2,7 Ohm zwischen allen Anschlüssen. Das ist suboptimal.

Hazeltine Monitor

Die H- und V-Transistoren haben auch ganz seltsame Typenbezeichnungen, funktionieren aber noch... Der linke Transistor 1SPS331848 ist eine Hazeltine Type, die nirgendwo dokumentiert ist, der rechte Typ SJ4810 findet sich in keinem Motorola Datenbuch wieder... sehr suspekt.

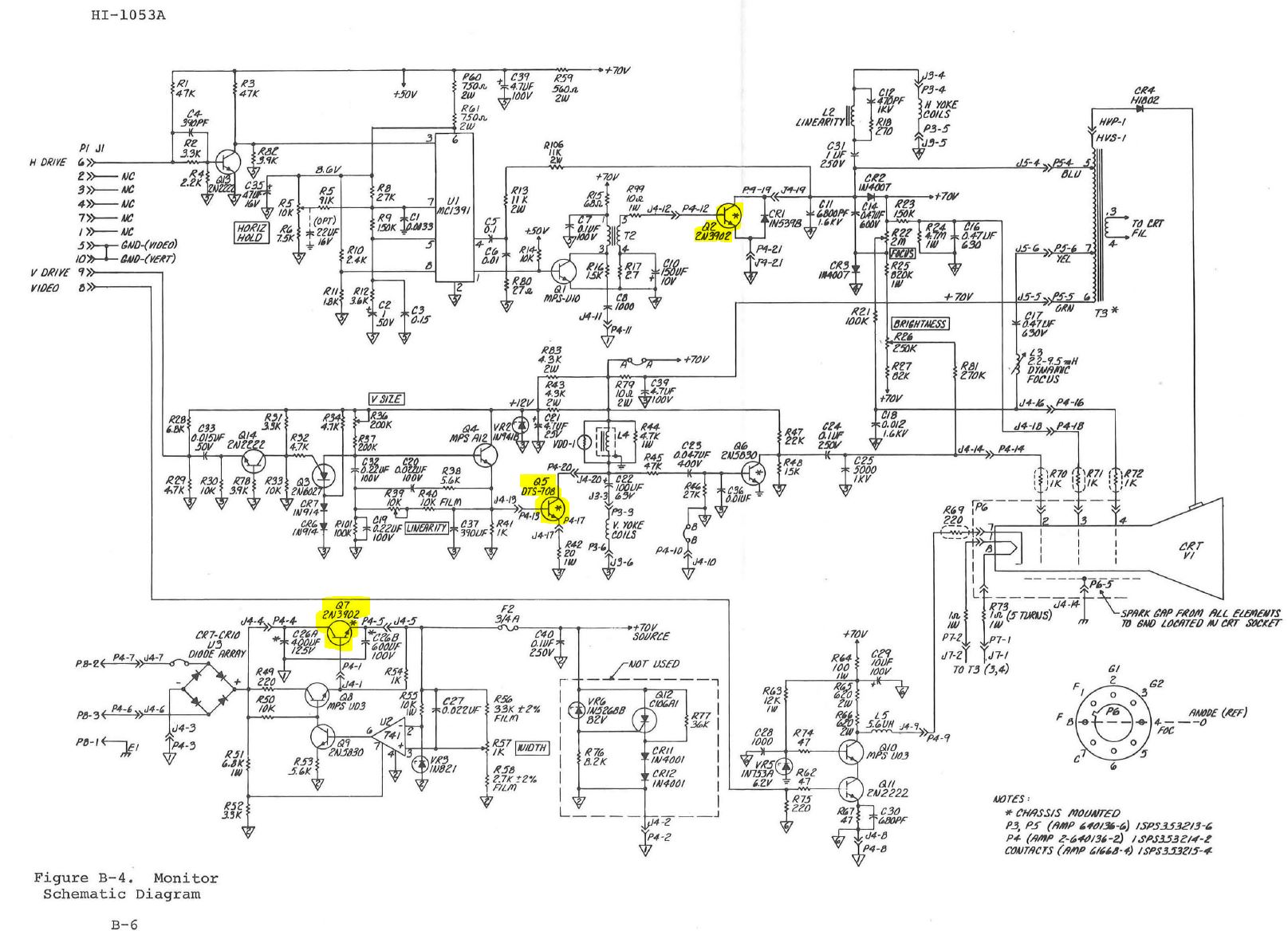
Hazeltine Monitor

Q7 und Q2 sind laut Schaltplan die gleichen Typen - 2N3902. Nur Q5 ist ein DTS-708, den bekommt man nirgends mehr und ich habe auch keine Daten... aber der Hazeltine Ersatztyp geht ja noch.

Hazeltine Monitor

Dann vermute ich mal, dass SJ4810 einem 2N3902 entspricht - und der 1SPS331848 ist dann die kundenspezifische Bezeichnung für DTS-708.

Hazeltine Monitor

Jetzt warte ich mal auf die bestellten Ersatzteile und hoffe, dass danach alles gut wird!

{Das Linearnetzteil} Die ersten Ersatzteile sind gekommen... wer hat schon 3W-Widerstände auf Lager, wenn er sonst Mikroprozessorsysteme bastelt...

Hazeltine Monitor

Hazeltine Monitor

Der Ersatztransistor muss eine Tauglichkeit noch beweisen - ich hab ihn nach bestem Wissen und Gewissen rausgesucht: 150V, 1,5A, miese Stromverstärkung hFE 40... Ach ja, das Pinning stimmt nicht...

Hazeltine Monitor

Die primären Pufferelkos haben die falsche Bauform, es gibt vermutlich keine Zwillingselkos mehr... Egal: Zweikomponentenkleber macht es möglich.

Hazeltine Monitor

Hazeltine Monitor

Naja, der 741 war auch völlig platt... Also neu:

Hazeltine Monitor

Und nachdem ich den baugleichen Transistor aus der Ablenkstufe in der Längsregelung eingesteckt habe:

Hazeltine Monitor

Cool: das 70V-Linearnetzteil geht wieder - die Spannung lässt sich über das Poti von 60-90V regeln, damit stellt man übrigens auch die Bildbreite ein. Und dann hat mich noch interessiert, ob man einem durchlegierten Transistor sein Leiden ansieht...

Hazeltine Monitor

Hazeltine Monitor

Ja..., das sieht man gut...

Hazeltine Monitor

Jetzt muss ich auf die Ersatztransistoren warten...


© 2013 - 2024 · W. Robel e-Mail senden